Descripción
La actualización incluye:
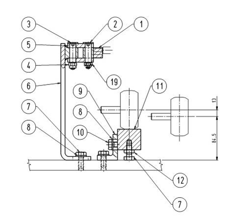
A - Cojinete en fibra de carbono reforzada para rodillo en PEEK
B - Leva de nivel (grosor de acabado: 0,2 micras)
C- Leva de inserción de cilindro de gas (grosor acabado: 0,2 micras)
D- Nuevo cilindro sin aceiteE - Caja de lubrificación automática y permanente de agua y jabónEl cojinete del cilindro se ha modificado reemplazando los rodamientos por casquillos de bolas.La configuración sin rodamientos evita la necesidad de aplicar lubrificantes, por lo que se elimina el riesgo de contaminación del producto.
Mensaje clave
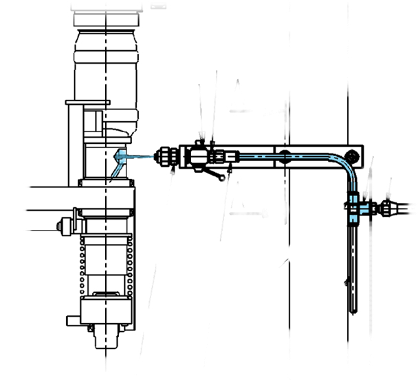
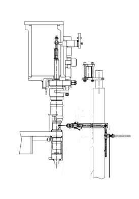
Aplicación máquina
Starcans 2000 RSC
Ventajas
-Una vida útil más larga (cuando se mantiene adecuadamente es de aproximadamente 5 000/6 000 horas).
-Mejor limpieza e higiene del sistema.
-No hay necesidad de lubricación con aceite/grasa.
-Lubricación automática continua












