Dual treatment process [L004]

L004 - Dual treatment process
After
  • Machine type Rinser
  • O&U Themes Cost optimisation
  • Complexity2/3

Description
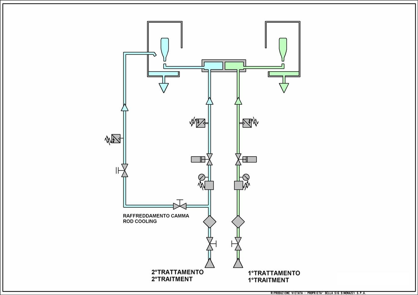
Purpose Performing different treatment processes on the same machine during production. Components 1) Feed with components depending on treatment 2) Collector and nozzle set up for two treatments 4) Collector tubes and connections set up for two processes 5) Collection channel set up to maintain fluids separation Process logic Dual-treatment method came about to meet specific client requirements: 1) Sterilizing process on the first pass and sterile rinse on the second 2) Rinse process on the first pass and air treatment on the second 3) Simultaneous air and aspiration treatment

Key message
Improve process performances

Machine application
- Rinser SIMONAZZI LGH

Benefits
* New rinsing treatment to improve machine process performance