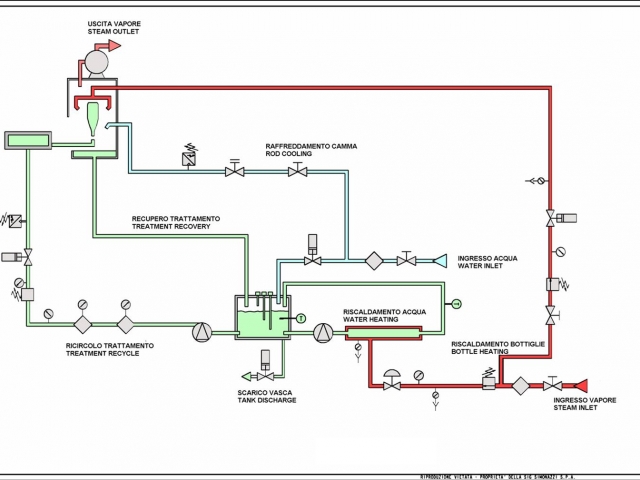
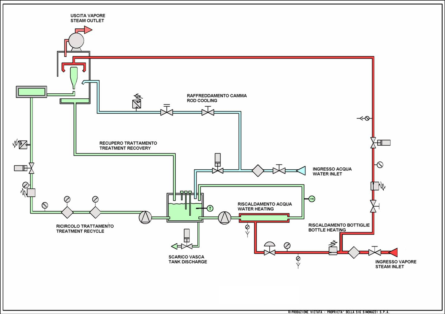
L019 - External bottle heating system
Description
-Exterior bottle heating system max 45°C. Purpose Heating bottles externally using steam to heat and balance the temperature differential from the simultaneous internal heating. Process is recommended for situations where the container must reach a maximum of 45°C. Requires an annular manifold with nozzles and an electric aspirator as well as the steam infeed.
-Components
* Steam input with suitable components (pneumatic and manual valves, filters, pressure reducers, etc)
* External manifold with spray nozzles
* Electric aspirator
Key message
Secure process for special containers
Machine application
- Rinser SIMONAZZI LGH
Benefits
New rinsing treatment to improve machine process performance



