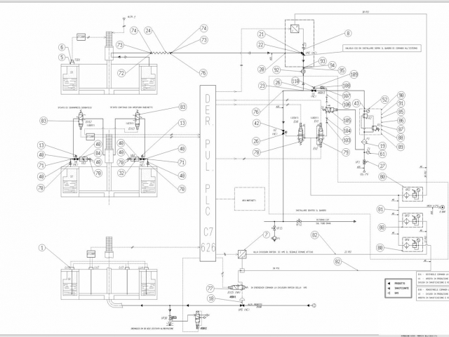
HS022 - INDEPENDENT LEVEL AND PRESSURE CONTROL SYSTEM
Description
-New 12 track collector and S7 PLC
-All system components in stainless steel.
-The central collector is a more easily sanitized solution with polyurethane seals for a longer lasting span life
-Pressure control of ± 0.1 bar and to 3 mm for the level
Key message
Improve filler efficiency and final product quality
Machine application
- Filler SIMONAZZI EUROSTAR RAA
- Filler SIMONAZZI STARLIGHT RBC
- Filler SIMONAZZI EUROPA RAC
- Filler SIMONAZZI STARCANS RAF
Benefits
-High precision bottle levels, even during stoppages
-High filler tank stability reduces foam
-High-precision CO2 regulation reduces gas consumption
-Automatic start-up in production, no manual adjustment required
-Capacity to have various recipes with different set-up data depending on type of product to be filled






