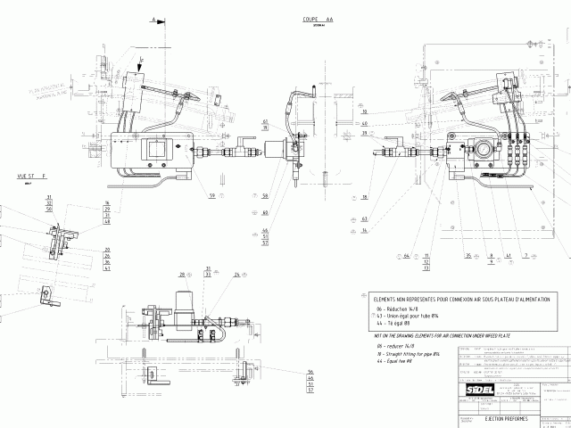
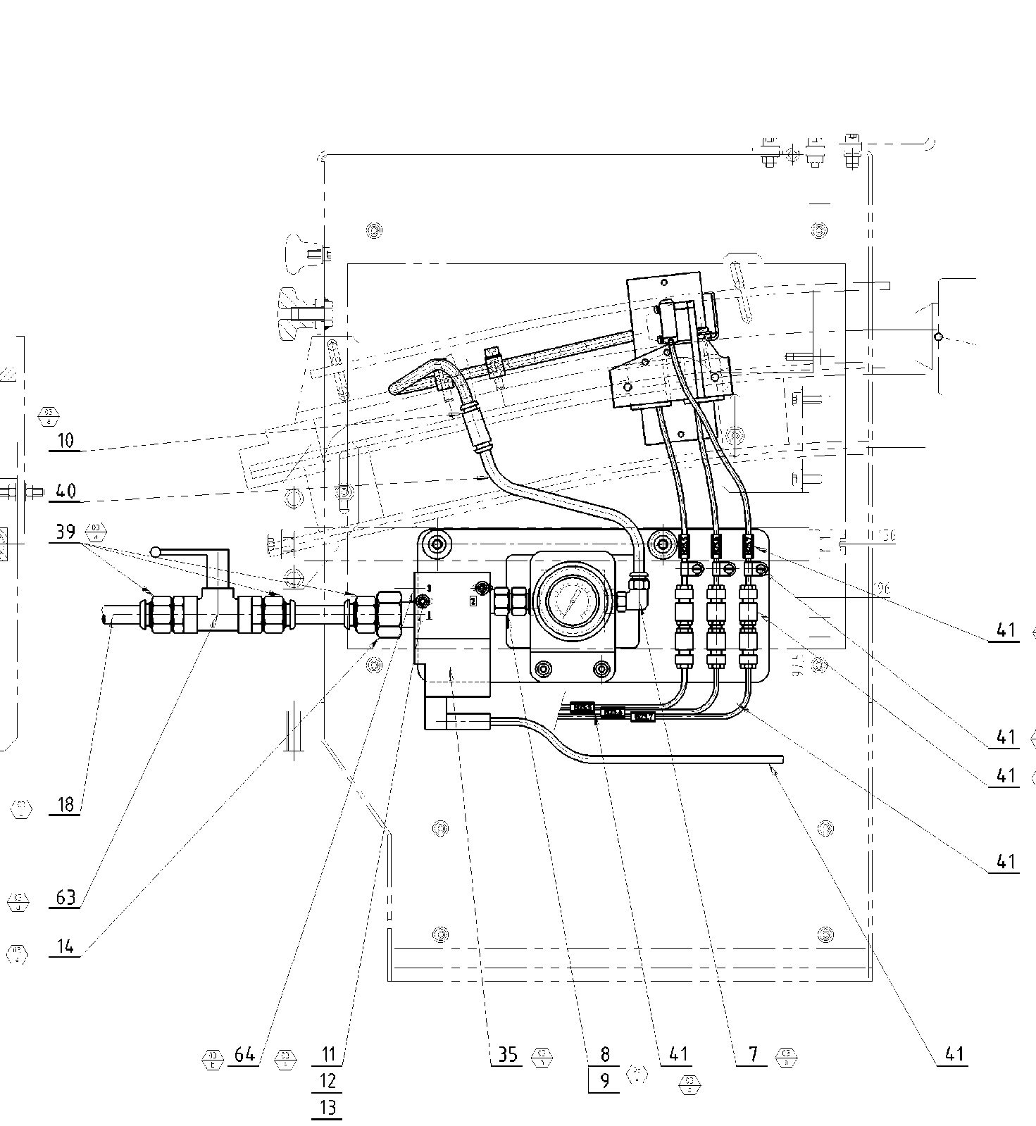
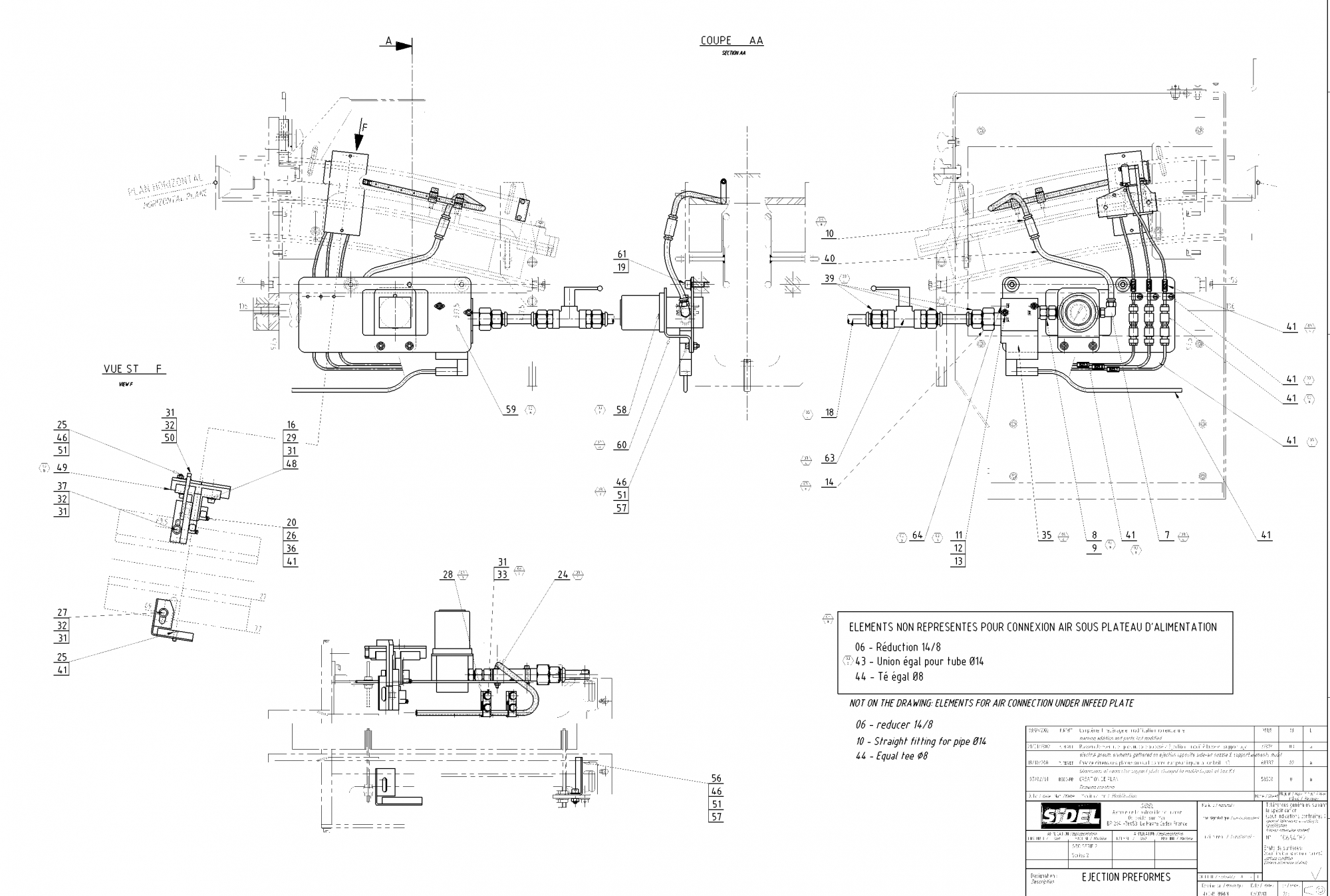
565 - Preform desnesting system
Description
Air ejection system to be installed right after the unscrambler rollers.
Photocells will detect any nested preforms and air will be blown to eject it.
Key message
Improve blower efficiency
Machine application
Blowers Series2
Benefits
Remove any nested preform, avoid preform jam at preform infeed rail.









