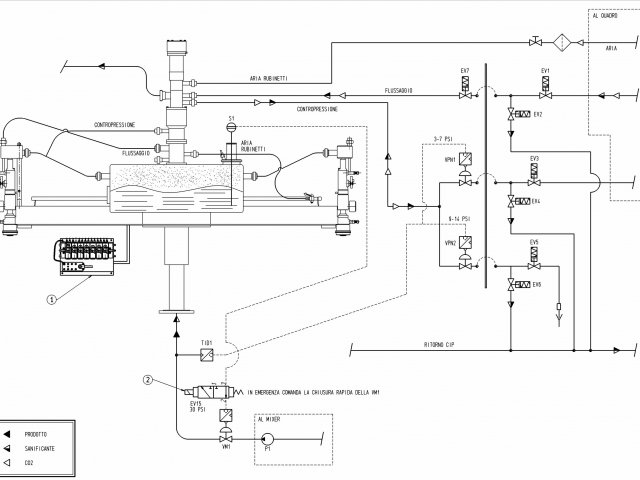
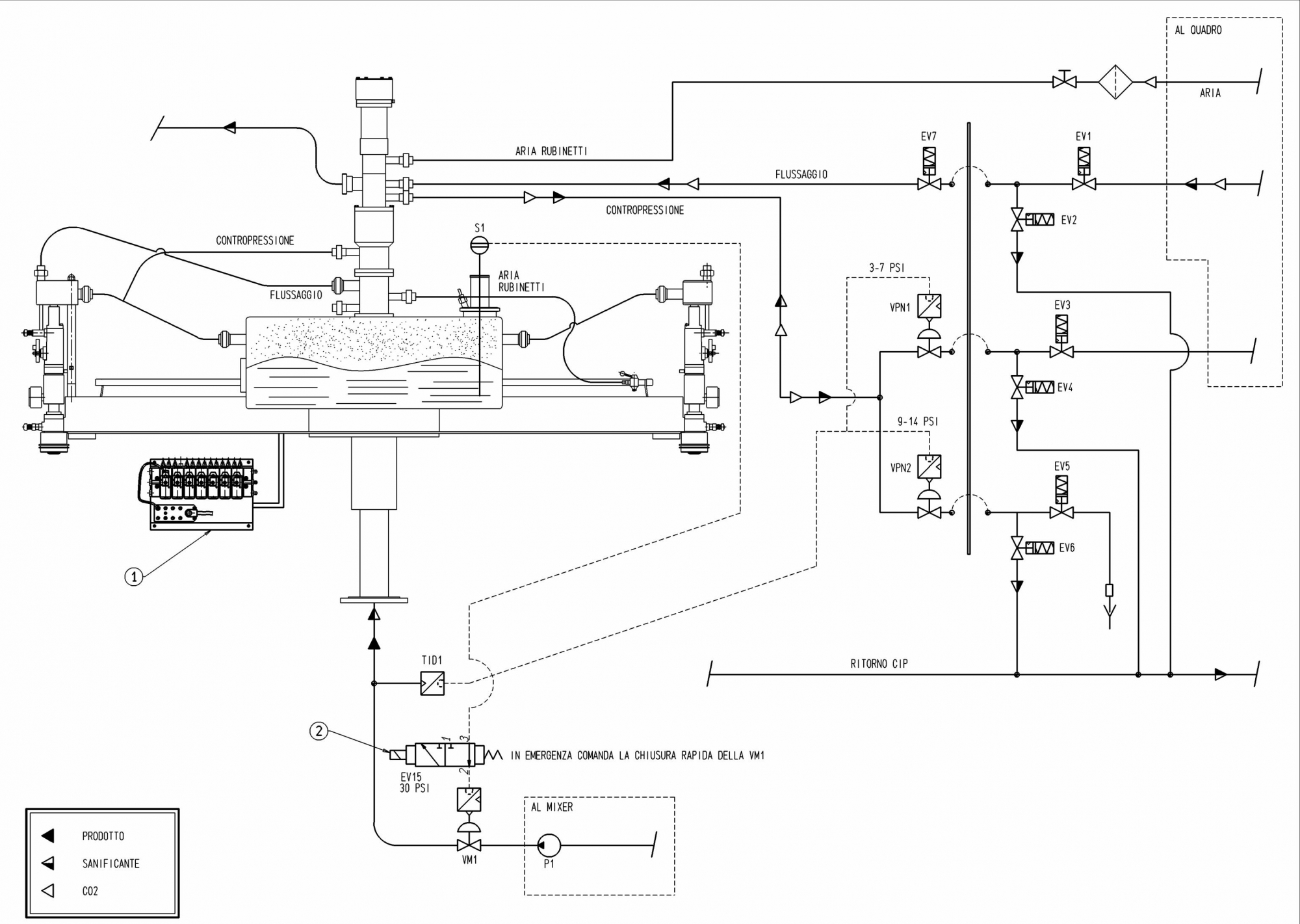
MS016 - SISTEMA DE CONTROL DEL NIVEL Y DE LA PRESIÓN
Descripción
-Sistema autónomo de control de nivel y de la presión para mantener una presión y un nivel constante.
-Los componentes de todo el sistemason en acero inoxidable.
-Colector central equipado de juntas larga duración en poliuretano para una limpieza más fácil.
-Capaz de trabajar con una presión mínima, por encima de la presión de equilibrio permitida.
Mensaje clave
Mejore la precisión del nivel de las botellas
Aplicación máquina
- Filler SARCMI BLUESTAR
Ventajas
-Altos niveles de precisión.
-Espuma reducida gracias a la estabilidad del tanque de la llenadora.
-Precisión en la regulación del CO2, lo que reduce su consumo.
-Arranque automático, sin configuración manual.
-Capacidad de tratar múltiples recetas.

