L016 - OPZIONI DI TRATTAMENTO ACQUA Sistemi di trattamento oxonia
Descrizione
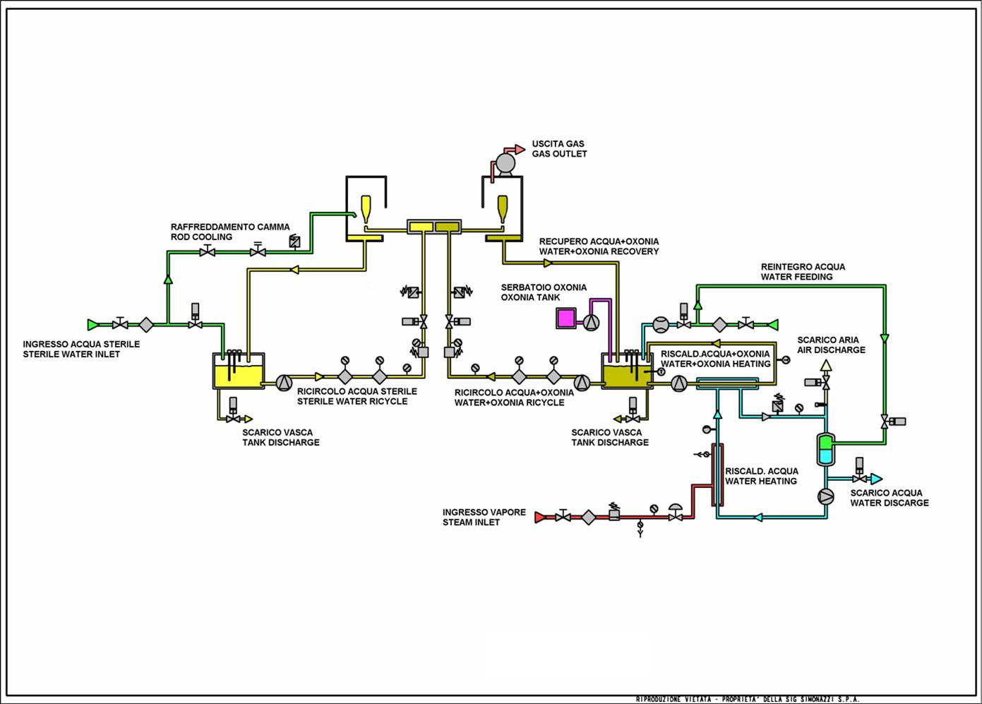
Dosaggio automatico oxonia con relativo riscaldamento della soluzione, con verifica della concentrazione e successivo risciacquo con acqua sterile in ricircolo Scopo 1) Preparazione precisa e automatica della concentrazione della soluzione richiesta e successivo risciacquo con acqua sterile. 2) Doppia fase di riscaldamento di precisione per poter portare la soluzione alla temperatura richiesta senza degradarla in modo eccessivo. 3) Sterilizzazione dei contenitori ad opera della sciacquatrice con preparazione automatica e ricircolata della soluzione e riscaldamento. 4) Risciacquo con acqua sterile dei contenitori per eliminare il residuo di sterilizzante. Componenti * Vasca di raccolta, preparazione e ricircolo della soluzione sterilizzante * Pompa dosatrice della soluzione * Sensore di livello per i livelli della vasca di ricircolo * Contalitri elettronico della vasca di raccolta * Pompa centrifuga per rilancio della soluzione preparata * Sistemi vari di filtrazione * Unità vapore con relativa strumentazione di controllo per riscaldamento soluzione * Pompa di ricircolo della soluzione di preriscaldamento * Circuito di preriscaldamento della soluzione con scambiatore di calore * Circuito finale di riscaldamento della soluzione con scambiatore di calore * Alimentazione del secondo trattamento gestita dalla componentistica inclusa * Sistema di filtrazione composto da prefiltrazione di 1,5 micron e filtrazione di 0,5 micron.
Applicaz. macchina
- Rinser SIMONAZZI LGH
Vantaggi
Dosaggio e riscaldamento oxonia in ricircolo con secondo trattamento con acqua sterile in ricircolo






