L012 - Chlorine treatment system
Description
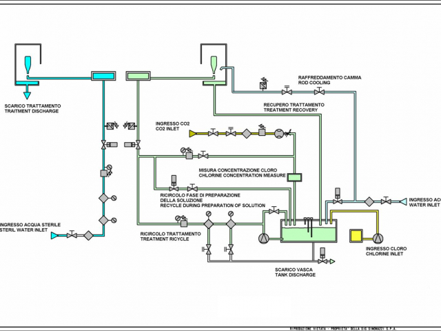
Automatic recirculated chlorine fed solution with subsequent rinse with non-recycled sterile water Purpose Recirculating system for container cleaning and disinfecting system using liquid containing a programmable concentration of chlorine. All components in contact with the product are in stainless steel AISI 316 L; all seals and instrumentation are made in PTFE or other material suitable for food product contact. Components * Rinsing solution infeed line fitted with a filter cartridge and a pneumatic interception valve * Preparation and chlorine solution recirculation tank, with the components (level sensor, return pump, automatic drainage) * Dynamic rinse water and reagent mixing system * 1.5 and 0.5 micron filtration system for the rinser input solution * Sodium hypochlorite system feed using electric membrane pump * Residual chlorine meter to check input ratio accuracy; * CO2 injection system. System fitted with automatic flow control.
Key message
Optimize bottle washing process
Machine application
- Rinser SIMONAZZI LGH
Benefits
* New rinsing treatment to improve machine process performance






