L012 - OPZIONI DI TRATTAMENTO ACQUA Sistemi di trattamento cloro
Descrizione
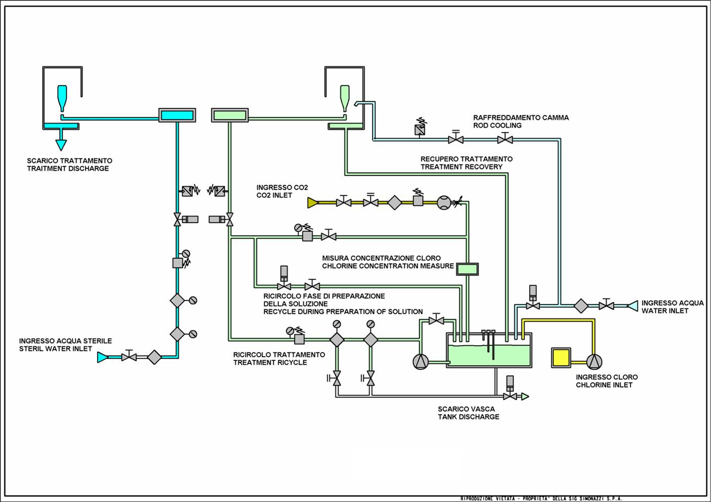
Dosaggio automatico di cloro con ricircolo della soluzione con successivo risciacquo con acqua sterile a perdere Scopo Sistema di ricircolo per il lavaggio e la disinfezione dei contenitori con liquido contenente una concentrazione programmabile di cloro. Tutti le parti a contatto con il prodotto sono realizzate in acciaio inox AISI 316 L; tutte le guarnizioni e le strumentazioni sono realizzate in PTFE o altro materiale idoneo al contatto con prodotti alimentari. Componenti * Linea di ingresso soluzione di risciacquo equipaggiata con un filtro a cartuccia e una valvola pneumatica di intercettazione * Vasca di preparazione e ricircolo della soluzione di cloro, con relativa componentistica (sensore di livello, pompa di rilancio, drenaggio automatico) * Sistema di miscelazione dinamica dell'acqua di risciacquo e dei reagenti * Sistema di filtrazione a 1,5 micron e 0,5 micron per la soluzione di invio alla sciacquatrice * Sistema di dosaggio dell'ipoclorito di sodio mediante pompa elettrica a membrana * Clororesiduometro per la verifica della correttezza del dosaggio * Sistema di iniezione di CO2 Sistema provvisto di controllo automatico della portata.
Applicaz. macchina
- Rinser SIMONAZZI LGH
Vantaggi
Dosaggio cloro singolo trattamento in ricircolo con secondo trattamento con acqua sterile a perdere






