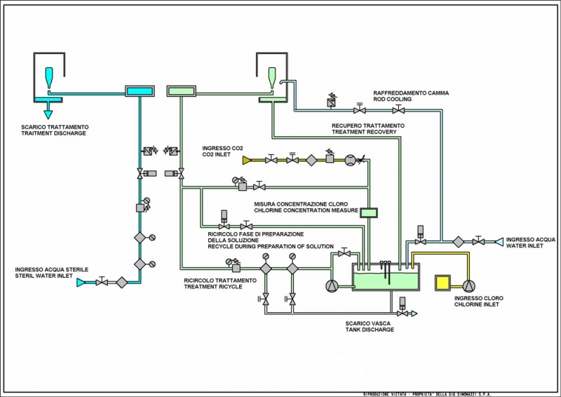
Sterile particle filtration 1.5/0.5 micron Purpose Pre-filtration and subsequent particle filtration of rinsing solution. Components 1) Container filter cartridges 2) 1.5 micron filter cartridge 3) 0.5 micron filter cartridge 4) Manometer for visual control of pressure differential before and after filter 5) Connections, valves and taps to aspirate the containers Process logic Pre-filtration at 1.5 micron and filtration at 0.5 micron. N.B. Maximum liquid temperature 70°. Size and the cost of the illustrated system depends on the throughput of liquid. Not all treatments with water and chemical solutions may be used.
Eliminate any particles in the liquid used to rinse the bottles in order to avoid any possible pollution
Rinser SIMONAZZI LGH




















