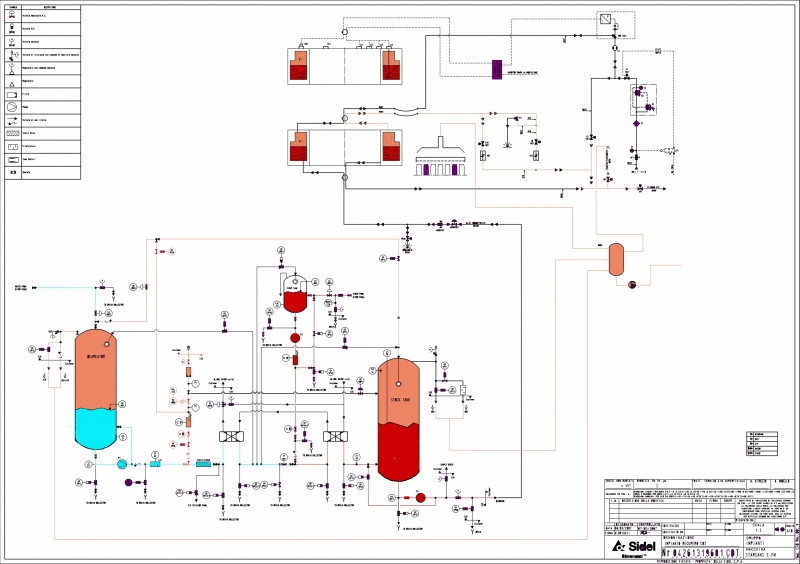
-Complete transformation of old mechanical mixing systems with new electronic mass flowmeter system
-Replacement includes all piping and machine's management logic. Only the two reservoirs (deaerator and saturator) are retained from the old unit. Mass flowmeter system reduces product and CO2 wastage.
-Start-up and end of production completely automatic with initial Brix control at start-up by recirculating stock.
-End of production will be controlled via the water and syrup ratio up to a ratio of 1:1. Electronic control during start-up without wastage. At start-up, unit recovers excess water in the syrup tubes, providing the first bottle at the desired standard. Simple operation with easy machine operator interface.
-Machine can be controlled in manual, if there is instrument damage.
* High precision CO2 and Brix: ± 0.05° Brix and ± 0.1 vol CO2 (steady production)
* First container on-spec
* Automatic start-up and end-of-production procedures
* No product waste * Fast ROI
- SIMONAZZI PREDOSIX SAA Mixer




















